VR·游戏开...
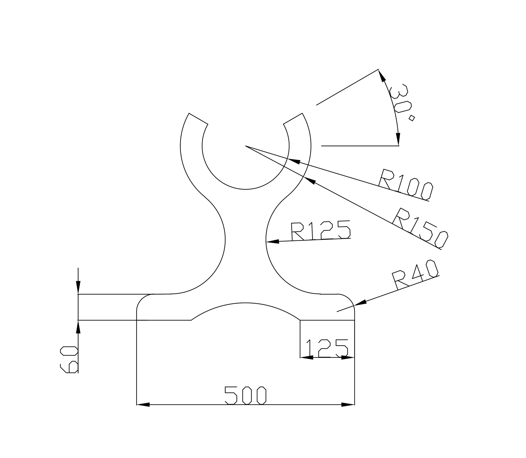
练习cad的时候做的
8h8
2016-12-14 13:43:30
全部回复
正序查看
p❀ppy
自学CAD的时候,这里面的习题我好多都画过
2016-12-14 13:45:48
...
写回复
没有更多了
自学CAD的时候,这里面的习题我好多都画过

