2014年7月22日晚20:00-21:00机械CAD试学课

头像
筱筱
2014-07-22 17:29:04

上课时间:7月22日20:00-21:00

上课地点:YY频道7621 C07 AutoCAD教室

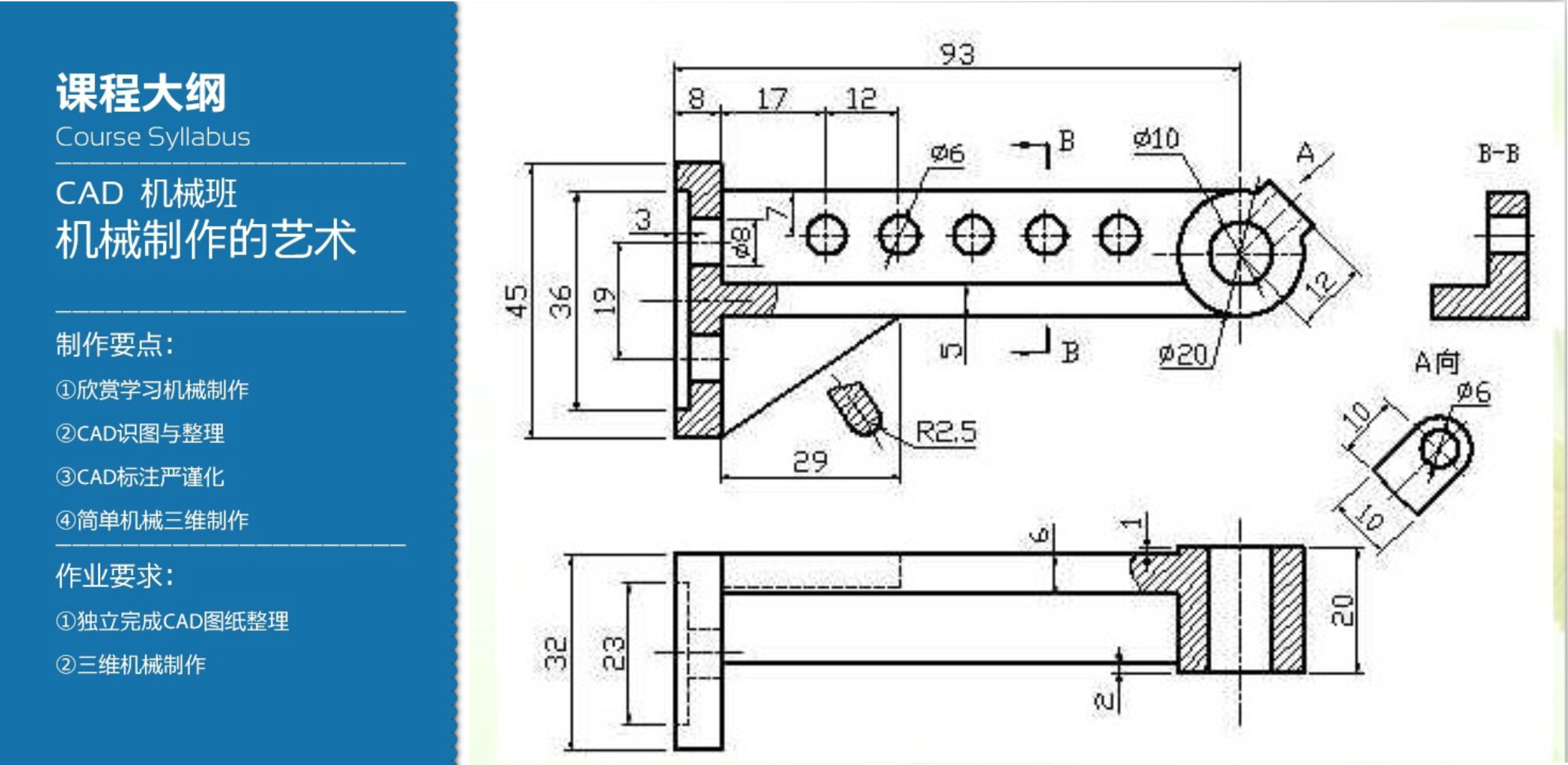
课程内容:绘制机械图练习

2014年7月22日晚20:00-21:00机械CAD试学课素材效果图


全部回复
正序查看
头像
开心生活ing

嘻嘻,大家走起。

2014-07-22 18:19:14
...
没有更多了